按应用分类
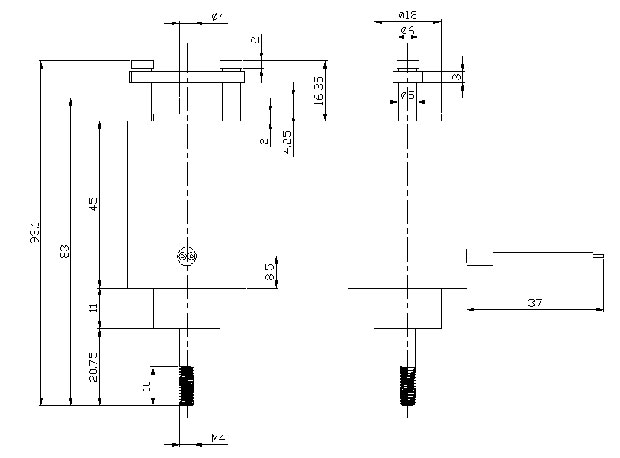
型号:SDL-O1245A-24S32
产品使用对象:液氮机研发
产品执行功能:联系我们代替汽缸运动
可代替气缸运动用联系我们参数
| 电压: | DC24V | 行程: | 6MM | 电阻: | 32欧 | 功率: | 18W |
| 耐温: | 寿命: | 20万次 | 耐电压: | 初始力: | 950G | ||
| 电流: | 0.75A | 通电率: | 41% | 弹簧回力: | 吸力: |
可代替气缸运动用联系我们产品详情
可代替气缸运动用联系我们
型号:SDL-O1245A-24S32
参数
行程:6MM
电压:DC24V
电流:0.75A
电阻:32欧
功率:18W
初始力:950G
通电率:41%
寿命:20万次
环境温度:常温
产品使用对象:液氮机研发
产品执行功能:联系我们代替汽缸运动



广州思德隆电子有限公司()创立于2005年,是一家专业生产研发联系我们定制加工,电磁阀定制,买球-买球(中国),小型联系我们等各类电磁产品,拥有丰富行业经验的广州联系我们厂家、广州电磁阀厂家、买球-买球(中国)厂家。品种多样,规格齐全,产品从零部件到成品组装均有自己的加工设备以及产生线,拥有高精密度检测仪器和自主研发的老化设备,已通过(ISO9001认证)专业制造直流联系我们定制/推拉式联系我们从产品设计到样品以及量产,均有量化高效的工艺流程及老化实验检测,保证了产品的质量与订单的按时交货。
关键词:代替汽缸运动元件,可代替气缸运动用联系我们






