按应用分类
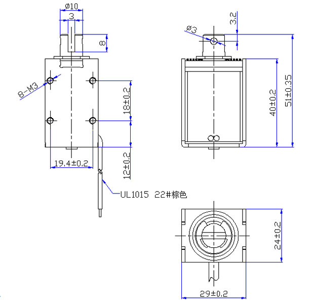
型号:SDL-U1040G-24L22
产品使用对象:室内灯饰
产品执行功能:开关
灯饰微动开关联系我们|室内继电器联系我们定做参数
| 电压: | DC24V | 行程: | 8MM | 电阻: | 22欧 | 功率: | 24W |
| 耐温: | 寿命: | 20万次 | 耐电压: | 初始力: | 800G | ||
| 电流: | 1A | 通电率: | 10% | 弹簧回力: | 吸力: |
灯饰微动开关联系我们|室内继电器联系我们定做产品详情
灯饰微动开关联系我们|室内继电器联系我们定做
型号:SDL-U1040G-24L22
参数
行程:8MM
电压:DC24V
电流:1A
电阻:22欧
功率:24W
初始力:800G
通电率:10%
寿命:20万次
单次通电时间:1秒
使用率:1440次/24H
反应速度:30次/秒
产品使用行业:室内灯饰
产品执行功能:开关
拓展适用行业:机械设备
产品特点:体积小,安装容易;框架式设计散热好。



广州思德隆电子有限公司()创立于2005年,是一家专业生产研发联系我们定制加工,电磁阀定制,买球-买球(中国),小型联系我们等各类电磁产品,拥有丰富行业经验的广州联系我们厂家、广州电磁阀厂家、买球-买球(中国)厂家。品种多样,规格齐全,产品从零部件到成品组装均有自己的加工设备以及产生线,拥有高精密度检测仪器和自主研发的老化设备,已通过(ISO9001认证)专业制造继电器联系我们定制/透镜联系我们从产品设计到样品以及量产,均有量化高效的工艺流程及老化实验检测,保证了产品的质量与订单的按时交货。
关键词:灯饰微动开关联系我们,室内继电器联系我们定做
| 上一篇:电梯主机停车安全电磁阀 |
| 下一篇:可代替气缸运动用联系我们 |






