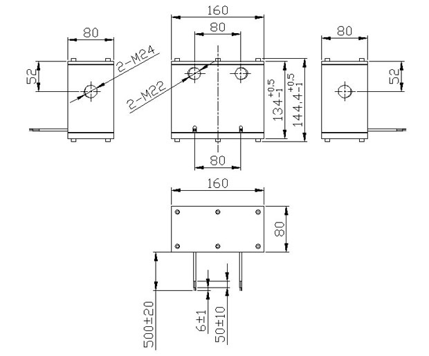
型号:SDL-CF16080A-24S05
产品使用对象:医疗设备
产品执行功能:空气控制阀
呼吸机空气控制电磁阀参数
| 公称压力: | 公称流量: | ||
| 工作电压: | DC24V | ||
| 工作电流: | 4.8A | ||
| 进液口: | 回液口: | ||
| 介质: | |||
| 最大流量: | |||
呼吸机空气控制电磁阀产品详情
呼吸机空气控制电磁阀
型号:SDL-CF16080A-24S05
参数
行程:4MM
电压:DC24V
电流:4.8A
通电率:20%
寿命:20万次
单次通电时间:40MS
使用率:86400次/24H
反应速度:8次/秒
产品使用行业:医疗设备
产品执行功能:空气控制阀
拓展适用行业:美容智能化设备
产品特点:进气、出气双控制,流量精准,40毫秒反应时间。




广州思德隆电子有限公司()创立于2005年,是一家专业生产研发联系我们定制加工,电磁阀定制,买球-买球(中国),小型联系我们等各类电磁产品,拥有丰富行业经验的广州电磁阀厂家、买球-买球(中国)厂家。品种多样,规格齐全,产品从零部件到成品组装均有自己的加工设备以及产生线,拥有高精密度检测仪器和自主研发的老化设备,已通过(ISO9001认证)专业制造二位三通电磁阀/水用电磁阀从产品设计到样品以及量产,均有量化高效的工艺流程及老化实验检测,保证了产品的质量与订单的按时交货。
/coinfo-34.html
/coinfo-35.html
/coinfo-36.html
/vainfo-19.html
关键词:空气控制阀,呼吸机电磁阀
| 上一篇:没有信息了 |
| 下一篇:没有信息了 |



