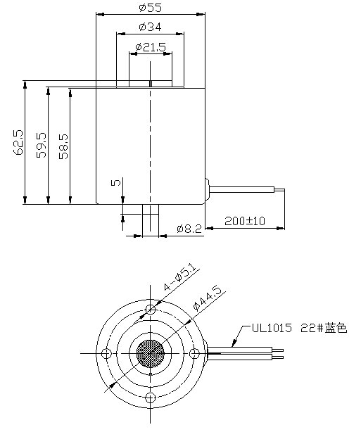
型号:SDL-CF2260A-220S576
产品使用对象:木工机械
产品执行功能:排气
耐高压排气电磁阀参数
| 公称压力: | 公称流量: | ||
| 工作电压: | AC220V | ||
| 工作电流: | 0.38A | ||
| 进液口: | 回液口: | ||
| 介质: | |||
| 最大流量: | |||
耐高压排气电磁阀产品详情
耐高压排气电磁阀
型号:SDL-CF2260A-220S576
参数
行程:1MM
电压:AC220V
电流:0.38A
功率:84W
电阻:576欧
通电率:28%
寿命:10万次
环境温度:20
产品使用行业:木工机械
产品执行功能:排气
拓展适用行业:机械设备
产品特点:密封性好,耐高压




广州思德隆电子有限公司()创立于2005年,是一家专业生产研发联系我们定制加工,电磁阀定制,买球-买球(中国),小型联系我们等各类电磁产品,拥有丰富行业经验的广州联系我们厂家、广州电磁阀厂家、买球-买球(中国)厂家。品种多样,规格齐全,产品从零部件到成品组装均有自己的加工设备以及产生线,拥有高精密度检测仪器和自主研发的老化设备,已通过(ISO9001认证)专业制造电磁换向阀定制/CDC减震电磁阀从产品设计到样品以及量产,均有量化高效的工艺流程及老化实验检测,保证了产品的质量与订单的按时交货。
关键词:耐高压排气电磁阀
| 上一篇:没有信息了 |
| 下一篇:车灯远近光横拉变换机构 |



