按应用分类
型号:SDL-U0526A
产品使用对象:门锁
产品执行功能:自动电器动力
拉式框架联系我们参数
| 电压: | DC12V | 行程: | 10mm | 电阻: | 48欧 | 功率: | 3W |
| 耐温: | 寿命: | 50万次 | 耐电压: | 初始力: | 5kg | ||
| 电流: | 0.25A | 通电率: | 100% | 弹簧回力: | 吸力: |
拉式框架联系我们产品详情
拉式框架联系我们
关于本产品的一些说明:
1、下单前请联系销售人员核实库存。
2、经过长时间打样老化 性能稳定。
3、客户定制品 请核查细节参数尺寸再下单。
4、可以在此产品基础上根据您的需求进行打样。
SDL-U0526A联系我们的应用:
1、门锁联系我们
2、自动电器动力联系我们
产品特点:
1、线圈加大,拉推力强;
2、框架加固,不会因为震动而散架;
3、加装自动恢复保险丝,在温度超高的时候不烧坏联系我们和电路;
4、拉杆两端均有凹槽,便于链接;
5、采用优质耐高温漆包线,老化慢,性能稳定;
6、采用大号导线,降低不必要电损。
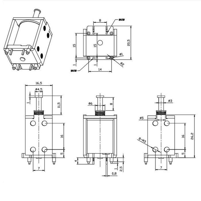
外观尺寸图:

.jpg)
.jpg)





广州思德隆(/)联系我们线圈品种多样,规格齐全,产品从零部件到成品组装均有自己的加工设备以及生产线,拥有高精密度检测仪器和自主研发的老化设备,(门锁联系我们)从产品设计到样品以及量产,均有量化高效的工艺流程及老化实验检测,保证了产品的质量与订单的按时交货。-------本信息由业务部推广员发布
关键词:拉式框架联系我们






