按应用分类
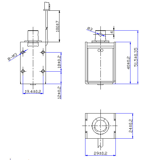
型号:SDL-U1040I-24L36
产品使用对象:线材刻字机
产品执行功能:推拉
东莞线材刻字机用框架推拉联系我们定制参数
| 电压: | DC24V | 行程: | 3MM | 电阻: | 36 | 功率: | 16W |
| 耐温: | 寿命: | 100万次 | 耐电压: | 初始力: | 850G | ||
| 电流: | 0.67A | 通电率: | 25% | 弹簧回力: | 吸力: | 850G |
东莞线材刻字机用框架推拉联系我们定制产品详情
东莞线材刻字机用框架推拉联系我们定制
型号:SDL-U1040I-24L36
参数
行程:3MM
电压:DC24V
电流:0.67A
电阻:36
功率:16W
初始力:850G
通电率:25%
寿命:100万次
产品使用对象:线材刻字机
产品执行功能:推拉
拓展适用行业:电线刻字机联系我们
产品特点:体积小,使用寿命增大。




广州思德隆电子有限公司(/)创立于2005年,是一家专业生产研发联系我们定制加工,,小型联系我们等各类电磁产品,拥有丰富行业经验的广州联系我们厂家、广州电磁阀厂家、买球-买球(中国)厂家。品种多样,规格齐全,产品从零部件到成品组装均有自己的加工设备以及产生线,拥有高精密度检测仪器和自主研发的老化设备,已通过(ISO9001认证)专业制造线材刻字机用框架推拉联系我们从产品设计到样品以及量产,均有量化高效的工艺流程及老化实验检测,保证了产品的质量与订单的按时交货。
/newsinfo-87.html
/newsinfo-80.html
/newsinfo-78.html
/newsinfo-77.html
/newsinfo-76.html
关键词:线材刻字机用联系我们,刻字机用框架推拉联系我们
| 上一篇:东莞低温电梯防滑联系我们定制 |
| 下一篇:游戏机用强力撞击珠子联系我们定制 |






