按应用分类
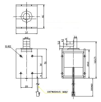
型号:SDL-U1250B-24L
产品使用对象:裁线机
产品执行功能:牵引
电脑裁线机联系我们参数
| 电压: | DC24V | 行程: | 8mm | 电阻: | 功率: | ||
| 耐温: | 寿命: | 耐电压: | 初始力: | 1.3kg | |||
| 电流: | 1.25A | 通电率: | 弹簧回力: | 0.5kg | 吸力: |
电脑裁线机联系我们产品详情
名称:电脑裁线机联系我们
型号:SDL-U1250B-24L
参数:
电压:DC24V
行程:8mm
初始力:1.3kg
弹簧回弹力:0.5kg
电流:1.25A
性能:
1、线圈加大,拉推力强;
2、框架加固,不会因为震动而散架;
3、加装自动恢复保险丝,在电压不稳定的时候不烧坏联系我们和电路;
4、拉杆两端均有凹槽,便于链接;
5、采用上饶优质耐高温漆包线,老化慢,性能稳定;
6、采用大号导线,降低不必要电损;
7、滑竿表面处理采用杜邦铁佛龙,绝对耐磨,不掉皮,不卡死。

.jpg)
广州思德隆电子有限公司()创立于2005年,是一家专业生产研发联系我们厂家,电磁阀,买球-买球(中国),小型联系我们等各类电磁产品,拥有丰富行业经验的广州牵引式联系我们制造商、电磁阀、买球-买球(中国)厂家。品种多样,规格齐全,产品从零部件到成品组装均有自己的加工设备以及流水线,拥有高精密度检测仪器和自主研发的老化设备,电脑裁线机联系我们从产品设计到样品以及量产,均有量化高效的工艺流程及老化实验检测,保证了产品的质量与订单的按时交货。
关键词:电脑裁线机联系我们,裁线机联系我们厂家定做
| 上一篇:游戏无线手枪联系我们 |
| 下一篇:游戏感应枪联系我们 |






