按应用分类
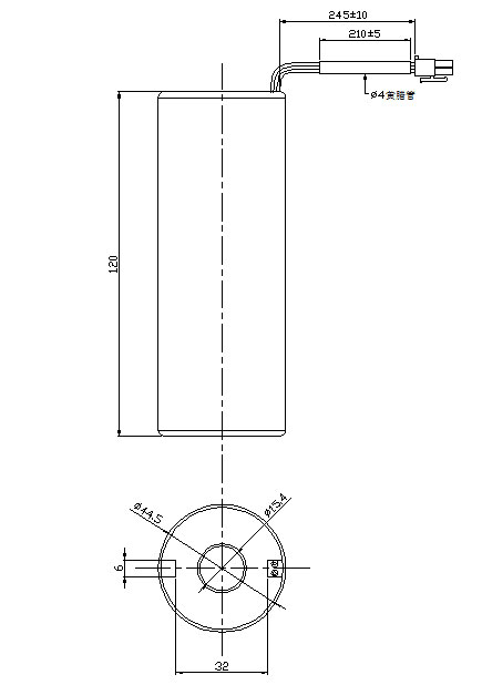
型号:SDL-O15120A-36S12
产品使用对象:游戏设备跳绳机
产品执行功能:公仔跳起推动
跳绳机用推动公仔跳起圆管联系我们制作参数
| 电压: | DC36V | 行程: | 40MM | 电阻: | 12欧 | 功率: | 108W |
| 耐温: | 寿命: | 20万次 | 耐电压: | 初始力: | |||
| 电流: | 3A | 通电率: | 30% | 弹簧回力: | 吸力: |
跳绳机用推动公仔跳起圆管联系我们制作产品详情
跳绳机用推动公仔跳起圆管联系我们制作
型号:SDL-O15120A-36S12
参数
行程:40MM
电压:DC36V
电流:3A
电阻:12欧
功率:108W
通电率:30%
寿命:20万次
单次通电时间:0.25S
使用率:400次/小时
产品使用行业:游戏设备跳绳机
产品执行功能:公仔跳起推动
拓展适用行业:游戏设备、大型跳绳机
产品特点:40MM行程,通电时间长;初始力大,发热量极小。



广州思德隆电子有限公司()创立于2005年,是一家专业生产研发联系我们定制加工,电磁阀定制,买球-买球(中国),小型联系我们等各类电磁产品,拥有丰富行业经验的广州联系我们厂家、广州电磁阀厂家、买球-买球(中国)厂家。品种多样,规格齐全,产品从零部件到成品组装均有自己的加工设备以及产生线,拥有高精密度检测仪器和自主研发的老化设备,已通过(ISO9001认证)专业制造牵引式联系我们/游戏机联系我们从产品设计到样品以及量产,均有量化高效的工艺流程及老化实验检测,保证了产品的质量与订单的按时交货。
关键词:跳绳机用推动公仔,公仔跳起推动,联系我们制作
| 上一篇:乐器小型框架牵引式联系我们 |
| 下一篇:高频牵引式框架联系我们 |






