按应用分类
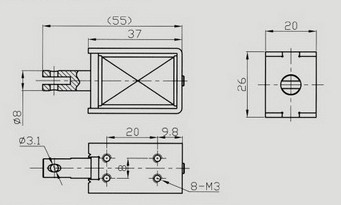
型号:SDL-U0837B-12L
产品使用对象:门锁,感应门锁。
产品执行功能:牵引
自动门锁联系我们参数
| 电压: | DC12V | 行程: | 电阻: | 功率: | |||
| 耐温: | 寿命: | 耐电压: | 初始力: | 400g | |||
| 电流: | 0.8A | 通电率: | 弹簧回力: | 吸力: |
自动门锁联系我们产品详情
名称:自动门锁联系我们
型号:SDL-U0837B-12L
电压:DC12V
电流:0.8A
初始力:400g
产品说明及性能优劣:
1. 联系我们铁芯耐磨,撞击性好,长年使用顶部无损;
2. 铜头与导杆之间螺纹固定点胶,并且带有无头螺丝固定,频繁撞击铜头不会脱落;
3. 弹簧在原有基础上加大,保证弹回有力,动感强烈;
4. 线包采用优质漆包线制成,耐温,耐高压,电流稳定,磁感应强度稳定;
5. 线圈装有双重保险丝,对于瞬间电压过高,长时间通电发热带来的烧毁联系我们以及游戏机其他部件问题得到解决;
6.良好的框架结构设计和铆合,有效解决联系我们散架问题。
7.联系我们寿命达到500万次以上。动感持久不衰。
8、宇宙金门专用联系我们电磁锁。

.jpg)
广州思德隆电子有限公司()创立于2005年,是一家专业生产研发联系我们厂家,电磁阀,买球-买球(中国),小型联系我们等各类电磁产品,拥有丰富行业经验的广州牵引式联系我们厂家、电磁阀、买球-买球(中国)厂家。品种多样,规格齐全,产品从零部件到成品组装均有自己的加工设备以及流水线,拥有高精密度检测仪器和自主研发的老化设备,自动门锁联系我们从产品设计到样品以及量产,均有量化高效的工艺流程及老化实验检测,保证了产品的质量与订单的按时交货。
关键词:自动门锁联系我们,门禁开关联系我们厂家订做
| 上一篇:沃尔玛超市收银机联系我们 |
| 下一篇:自动智能门锁联系我们 |






