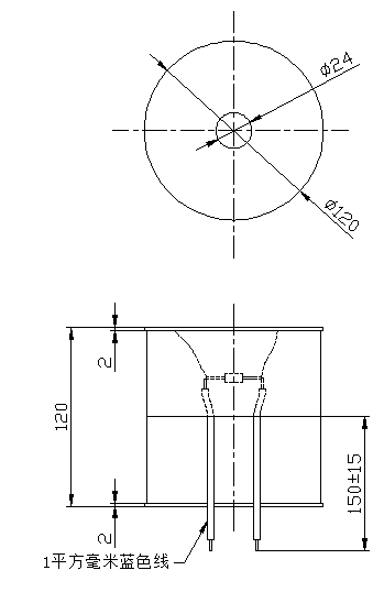
型号:SDL-XQ24120A-06L04
产品使用对象:海洋传感与探测
产品执行功能:磁感应信号发射
广州强力磁感全铜线圈参数
| 电压: | DC6V | 高度: | 电阻: | 寿命: | |||
| 电流: | 1.5A | 通电率: | 100% | 耐温: | 功率: | ||
| 线圈高斯: | 外径: |
广州强力磁感全铜线圈产品详情
广州强力磁感全铜线圈定做
型号:SDL-XQ24120A-06L04
电压:DC6V
电流:1.5A
通电率:100%
单次通电时间:8H/S
产品使用行业:海洋传感与探测
产品执行功能:磁感应信号发射
拓展适用行业:超强信号发射
产品特点:中心位磁感强度高,磁感强度稳定,两端电压6V,能连续运行8小时,线圈中心磁感应强度为15mT。


广州思德隆电子有限公司()创立于2005年,是一家专业生产研发联系我们定制加工,电磁阀定制,买球-买球(中国),小型联系我们等各类电磁产品,拥有丰富行业经验的广州联系我们厂家、广州电磁阀厂家、买球-买球(中国)厂家。品种多样,规格齐全,产品从零部件到成品组装均有自己的加工设备以及产生线,拥有高精密度检测仪器和自主研发的老化设备,已通过(ISO9001认证)专业制造强力磁感全铜线圈,广州全铜线圈定做从产品设计到样品以及量产,均有量化高效的工艺流程及老化实验检测,保证了产品的质量与订单的按时交货。
.jpg)
广州思德隆联系我们生产厂家的联系我们所有应用的领域:
1、公共设施联系我们:自动贩卖机联系我们、电梯刹车联系我们、自动售货机联系我们、读卡器联系我们、门闸联系我们、公共场所喷香机电磁阀、盲灯电磁阀、污水处理计量泵联系我们、电瓶车冲电桩电吸铁、公交车破窗器联系我们、客车破窗器联系我们等。
2、通讯\工控\自动化设备联系我们:海洋传感与探测、手机用电吸铁、漏电保护开关联系我们、电磁先导阀、矿用电磁先导阀、电液支架电磁阀等。
关键词:强力磁感全铜线圈,广州全铜线圈定做
| 上一篇:直流耐油耐温联系我们线圈制作 |
| 下一篇:电永磁吸盘电感线圈 |









