型号:SDL-XQ684939-12
产品使用对象:振动盘联系我们
产品执行功能:
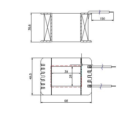
振动盘线圈参数
| 电压: | 3v----380V可定制 | 高度: | 电阻: | 寿命: | |||
| 电流: | 通电率: | 耐温: | 功率: | ||||
| 线圈高斯: | 外径: |
振动盘线圈产品详情
名称:振动盘线圈
型号:SDL-XQ684939-12
1.电压:3v----380V可定制
2.外接导线可以定制
3.此线圈用于振动盘联系我们
4.振动盘联系我们是由矽钢片和线圈组成。
5.此款线圈用于IE型的矽钢片
6.振动盘联系我们用于自动化设备,振动盘是一种自动组装或自动加工机械的辅助送料设备。它能把各种产品有序地排列出来,配合自动组装设备将产品各个部位组装起来成为完整的一个产品,或者配合自动加工机械完成对工件的加工。


广州思德隆电子有限公司()创立于2005年,是一家专业生产研发联系我们,电磁阀,买球-买球(中国),小型联系我们等各类电磁产品,拥有丰富行业经验的广州联系我们、电磁阀、买球-买球(中国)厂家。品种多样,规格齐全,产品从零部件到成品组装均有自己的加工设备以及流水线,拥有高精密度检测仪器和自主研发的老化设备,振动盘线圈从产品设计到样品以及量产,均有量化高效的工艺流程及老化实验检测,保证了产品的质量与订单的按时交货。
关键词:振动盘线圈,厂家订做
| 上一篇:防水/防油买球-买球(中国)定制 |
| 下一篇:磁芯/磁灌线圈 |









